AMA Kvadratinis Fiksavimo Kaištis (Kodas 56741) 6x70 mm yra greitai atjungiamas plieninis kaištis, skirtas tvirtam velenų, prikabinimo sistemų ir kitų žemės ūkio technikos mazgų fiksavimui. Užtikrina patikimą ir greitą sujungimą
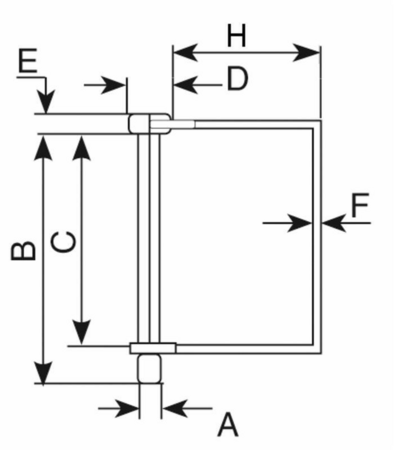
A= 6.0 mm C= 56 mm H= 43 mm B= 70 mm E= 6.0 mm D= 12 mm F= 2.5 mm
Pakuotė - 100 vnt.
Guarantee safe & secure checkout

A= 6.0 mm C= 56 mm H= 43 mm B= 70 mm E= 6.0 mm D= 12 mm F= 2.5 mm
AMA Kvadratinis Fiksavimo Kaištis 6x70 mm (Kodas 56741)
Šis kvadratinis fiksavimo kaištis (Kodas 56741) yra patikimas ir greitai atjungiamas elementas, naudojamas tvirtinimui ir fiksavimui žemės ūkio technikos mazguose, dažniausiai ant velenų ar prikabinimo sistemų. Kaištis pasižymi paprasta, bet tvirta konstrukcija ir greito atleidimo mechanizmu.
Pagrindinės savybės:
Kodas: 56741
Forma: Kvadratinė
Paskirtis: Greitam veleno fiksavimui
Pakuotėje 100 vnt
AMA Cilindrinis (vamzdinis) Kaištis 12 mm (Kodas 81001) yra specializuota fiksavimo detalė, skirta patikimai ir greitai pritvirtinti kvadratinio profilio vamzdžius. Dažniausiai naudojama kardaninių velenų (WOM-Tai yra Galios Nuėmimo Velenas arba Galios Atjungimo Velenas.) dalių sujungimui, užtikrinanti tvirtą jungtį.
A= 12 mm C= 61 mm H= 40 mm B= 67mm E= 10 mm D= 19 mm F= 2.5 mm
Kiekis pakuotėje 50 vnt.
Vamzdinis kaištis 7 mm – tai patikima ir greita tvirtinimo detalė, plačiai naudojama žemės ūkio technikoje, pramonėje ir kitose srityse, kur reikalingas patikimas sujungimas su galimybe greitai atjungti.
Šis ašies fiksavimo kaištis pasižymi tvirta konstrukcija ir vamzdiniu korpusu, kuris užtikrina patikimą fiksaciją. Idealiai tinka agregatų, priekabų ir kitos įrangos dalių tvirtinimui.
Prekės kodas 09354
Kiekis pakuotėje: 50 vienetų
F= 7 mm A= 56 mm D= 45 mm C= 50 mm B= 6.0 mm E= 16 mm G= 2.5 mm